オークション モバオク
新品・中古オークションするならモバオク!
ようこそゲストさん
マイページ|出品|いいね!一覧
今すぐ登録する| ご利用ガイド|よくある質問
オークション トップ
自動車/バイク
バイク
パーツ
カワサキ
吸気・燃料系
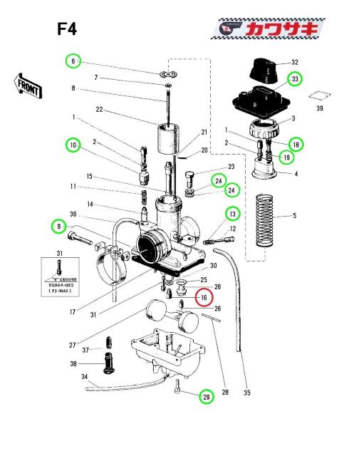
キャブレター
モバオクをHTML形式で表示するには、JavaScriptを有効にする必要があります。このブラウザではJavaScriptが無効になっているか、サポートされていないようです。標準のHTML形式のページを使用するには、ブラウザのオプションを変更してJavaScriptを有効にし、もう一度お試しください。
落札価格:
850円
落札日時:
2025/3/7 1:20
入札件数:
1件
出品者(評価):
kawasaki大昔部品 (178)